Cyclone Warning: Is hub-centre power steering required for motorbikes?
With one wheel and a small contact patch, bikes generally don’t need assisted steering - or do they?

Hub-centre steering has been a weird niche within the two-wheeled world since the earliest days of motorcycle innovation. From Junior TT bikes, the Yamaha GTS tourer and even Moto2 (thanks to the short-lived Vyrus entry), turning the front wheel of a bike via the axle spindle has never really broken into the mainstream for numerous reasons.
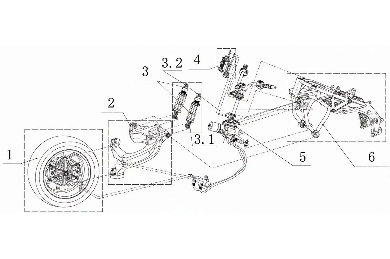
Zongshen thinks that should change, and it seems to be fairly advanced in its development of a hub-centre steering (HCS) system for its recently released RA1000 Cyclone. The Cyclone was first revealed at EICMA, becoming just one small part of a veritable flood of Chinese models that were unveiled at the event.
But, as is the Chinese way, Zongshen isn’t just chucking some HCS on the Cyclone and calling it a day, as the brand is also presenting a type of power steering to go along with it. And while the addition of the powered element of this steering system might seem strange to most of us, when you look at the front tyre of the bike depicted in the patent, it starts to make sense.

Cruisers are extremely popular in China and other parts of Asia. Not nakeds, sports bikes or adventure bikes - cruisers. As we saw with the Benda LFC700, which boasts the largest back tyre of any production bike, tyre size matters to Chinese riders, even more than how a bike actually handles on the road. And the front hoop on the patent images you can see here isn’t just wide, it has an almost car-tyre-like profile, meaning the contact patch on the road would be significantly larger than on a conventional motorcycle tyre. Add to the equation some mechanical drag from all the linkages and other moving parts, and power steering is starting to look like more of a requirement, and less like an engineering muscle flex.

While power steering may alleviate the arm-pump and effort required when riding around town, what the system won’t be able to fix are the main criticisms levelled at HCS. For most riders, who’ve spent their lives riding around on conventional suspension systems, HCS just don’t give the same feel and feedback to the rider as forks do. Most report a numb feeling at the front end, and an inability to feel what is going on with the front tyre. That’s a big issue on any bike designed to go fast on the road or the track. On a cruiser of muscle bike-esque naked with the vast front tyre, it’s probably less of a problem.
There is also another drawback of the design, as with more complexity and moving parts, HCS is, in most cases, heavier than conventional forks. Again, that’s a big issue on a sports bike, super naked or race bike, less of a problem that is simply designed to turn heads and get attention.
And as we saw with the aforementioned LFC700, the Chinese love a bit of that!
Find the latest motorcycle news on Visordown.com

